064. Contacto eléctrico por alta tensión en tareas de limpieza en el interior de un centro de seccionamiento
Datos del accidente
| DATOS | CÓDIGO | TEXTO |
|---|---|---|
| ACTIVIDAD ECONÓMICA (CNAE) | 351 | Producción, transporte y distribución de energia eléctrica |
| ACTIVIDAD FÍSICA ESPECÍFICA | 21 | Tareas de limpieza con escoba |
| DESVIACIÓN | 73 | Agacharse |
| FORMA (CONTACTO, MODALIDAD DE LA LESIÓN) | 12 | Contacto directo con elementos en tensión |
| AGENTE MATERIAL DE LA ACTIVIDAD FÍSICA | 06100100 | Escoba |
| AGENTE MATERIAL DE LA DESVIACIÓN | 05020400 | Barras de alta tensión |
| AGENTE MATERIAL CAUSANTE DE LA LESIÓN | 05020400 | Barras de alta tensión |
Descripción
Tarea
Los trabajos a realizar consistían en la instalación de un cable “seco” en la línea de entrada a un centro de seccionamiento y medición, el cual dispone de una línea trifásica de entrada y salida con una diferencia de potencial de 24 Kv. Previamente se había instalado un “bypass” para no dejar sin servicio a los abonados mientras se realizaba el trabajo.
Accidente
Durante la realización de los trabajos en el exterior del centro, el trabajador accedió al interior de este creyendo que se había cortado el suministro eléctrico en el interior del mismo. El accidentado recibió una descarga eléctrica al contactar con el embarrado de la celda, al intentar realizar tareas de limpieza en el interior de la misma, ya que por las dimensiones y la configuración del propio embarrado, lo obligaba a estar agachado. Las lesiones que presenta, tanto las heridas como las quemaduras tienen su origen en el contacto eléctrico.
En el momento del accidente había trabajadores de dos empresas:
- La empresa del accidentado, propietaria del centro y cuyos trabajadores se encargaban de tareas de apoyo y suministro de materiales a la empresa de trabajos en tensión. También realizaban tareas de limpieza de restos de materiales, etc.
- Por otro lado había trabajadores de una empresa encargada de la realización de los trabajos en tensión (instalación de “bypass” y cable “seco”).
Datos complementarios
Descripción del centro:
El centro de seccionamiento y medición es un edificio de obra civil aislado en una zona rural y todos los elementos se alojan en el interior del edificio. Dispone de una puerta metálica con un pasador dotado de candado.
Ver figura 1 "Vista exterior del centro de seccionamiento y medición", figura 2 "Vista interior del centro de seccionamiento" y figura 3 "Detalle zona de fusibles"
Los diferentes elementos instalados en el centro son:
Celda 1: Recibe la línea desde el exterior del centro.
- Equipadas con un seccionador mecánico accionable desde el exterior de la celda.
- Interruptores.
- Transformadores de intensidad con sus correspondientes fusibles.
Celda 2:
- Aparamenta diversa.
- Seccionador de salida.
- Equipos de medida fuera de las celdas.
Procedimiento de trabajo seguido y secuencia del mismo
La descripción del procedimiento seguido así como la sucesión de éstos la realiza el mando de brigada de la empresa de trabajos en tensión. Durante la realización de los diferentes trabajos, se alternan los trabajos en tensión y los trabajos sin tensión en el centro.
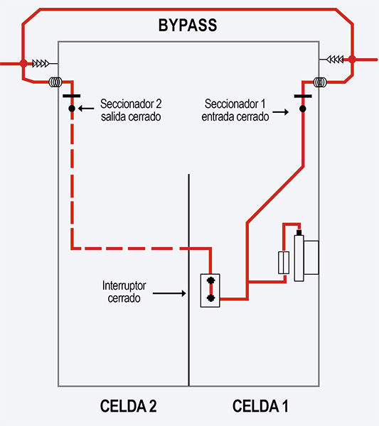
Ver esquema 1. El estado inicial del centro disponible en la figura 4
Procedimiento:
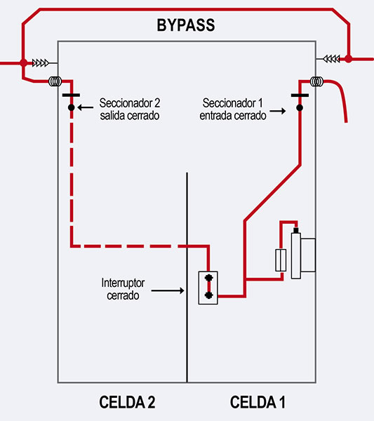
- Colocación del bypass entre la entrada y salida del centro (Trabajo en tensión). (Esquema 2)
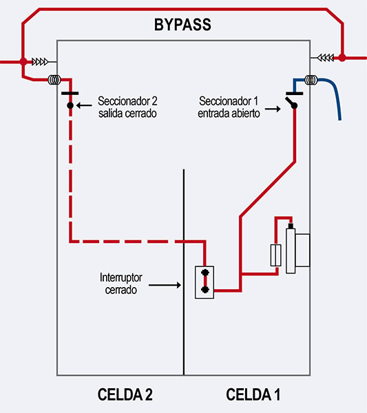
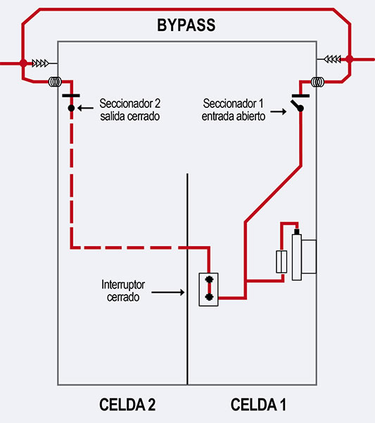
- Apertura de seccionadores de entrada y salida en las celdas con la línea Energizada. (Esquema 3)
- Verificación de ausencia de tensión y colocación de cortocircuitos y tierras en celda 1. (Trabajo sin tensión.). (Esquema 3)
- Retirada de cableado deteriorado de entrada (trabajos en tensión). (Esquema 3)
- Conexión del nuevo cableado a los bornes de entrada del seccionador en el interior de la celda 1 (Trabajos sin tensión). El cableado con una de las terminaciones ya colocadas fue facilitado por los trabajadores de la empresa del accidentado. (Esquema 3)
- Retirada de cortocircuitos y tierra. (Esquema 4)
- Cierre de seccionadores para comprobación de fugas en el nuevo cableado de entrada (Trabajo en tensión). (Esquema 4)
- Apertura del seccionador de entrada. (Esquema 5)
- Medición de la longitud del nuevo cableado y colocación de terminales (botellas). (Esquema 5)
- Conexión de terminales a línea de entrada en el exterior (Trabajo en tensión). (Esquema 6)
- Con posterioridad al accidente:
Durante la ejecución de estas tareas el interruptor no se abrió en ningún momento.
Ver esquema 2. Colocación del bypass (trabajo en tensión) en la figura 5.
Ver esquema 3 en la figura 6.
- apertura de seccionadores
- puesta en cortocircuito y a tierra de las barras (trabajo sin tensión)
- primera fase de instalación del cable “seco” (trabajo sin tensión)
Ver esquema 4 en la figura 7.
- retirada del cortocircuito y tierra de las barras (trabajo sin tensión)
- cierre de seccionadores
- comprobación de la primera fase de colocación del cable seco (trabajo en tensión)
Ver esquema 5 en la figura 8.
- apertura del seccionador 1
- colocación de terminal (botella) en cable “seco” (trabajo sin tensión realizado por los trabajadores
de la empresa del accidentado)
Ver esquema 6 "Conexión del cable “seco” a línea (trabajo en tensión)" en la figura 9.
Ver esquema 7 en la figura 10.
- situación en el momento del accidente
- comienzo de retirada de bypass (trabajo en tensión)
* En rojo línea energizada, en azul línea en descarga
Procedimiento seguido en el control de accesos:
- El accidentado abre la puerta de acceso al centro y permanece con el control de la llave.
- El accidentado abre la puerta de acceso a la celda y permanece con el control de la llave.
- Cuando los trabajadores de la contrata terminan el trabajo dentro de la celda (entre los pasos 7 y 8 del apartado anterior) proceden a cerrar ésta con el candado.
Conclusiones
El trabajador puede acceder al interior de la celda y no se cerciora de la ausencia de tensión en el interior de ésta, ya que únicamente comprueba que los seccionadores de la línea de entrada al centro se encontraban abiertos. Al estar cerrados los seccionadores de salida se produce una realimentación de la tensión en el interior del centro.
El corte de suministro eléctrico en el interior de la instalación se realiza únicamente abriendo los seccionadores de entrada y salida y no se activa el interruptor, permitiendo la realimentación en el interior del centro una vez cerrado los seccionadores de salida.
Causas
Causas relativas a la organización del trabajo y gestión de la prevención
Descoordinación entre los trabajadores de ambas empresas, al no haber establecido medios de coordinación previos.
Defectos en el control de accesos y llaves. Los responsables de los trabajos de la empresa de trabajos en tensión, no disponen del control de las llaves de acceso al centro durante al tiempo que dura la realización de las tareas. Tampoco se ha dispuesto de otro medio de control del acceso al centro, vigilancia, barreras, etc.
No seguimiento de los procedimientos establecidos en los trabajos en alta tensión, en lo referente a aperturas y cierre de circuitos y colocación de cortocircuitos y tierras.
No comprobación de la ausencia de tensión en el interior del centro.
Recomendaciones preventivas
- Elaborar un procedimiento de coordinación de actividades empresariales, donde se establezcan claramente las responsabilidades y funciones de cada uno de los participantes.
- Control de accesos efectivo por parte de la empresa que realiza los trabajos en tensión.
- Seguimiento de los procedimientos establecidos en los trabajos en alta tensión.
| Descarga pdf | Tamaño |
|---|---|
|
|
(PDF
, 1,8 MB)
|










